pp电子

产品与方案

     001.png 

 应用描述

   随着人们生活水平的提高,吸尘器正在中国家庭迅速的普及,人们的思想也发生了变化,现在普通家庭对吸尘器的需求也是大大的提高了。

  无刷马达、智能控制、传感器及锂电池等技术的不断发展,导致吸尘器应用对MOSFET要求越来越高,功率密度也越来越大。

  CRMICRO 提供适合于吸尘器应用的低内阻,小体积DFN系列封装产品,具有较低的 FOM [QG *RDS(on)] 实现了非常低的导通和开关损耗。此外,极低的寄生参数能实现更高的频率和非常高功率密度设计。帮助制造商为吸尘器设计实现优化、高效的解决方案。

 

  产品特色


SJ 基于SGT平台开发,FOM值低   -40V-60V电压段,多规格产品可供选择
抗冲击能力强,适用于电机驱动和BMS应用    DFN等系列封装齐全,满足吸尘器不同外形需求


 

 

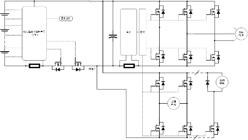
 应用原理图

 

       002.png    

 

 

 

  

 典型应用拓扑图

  003.png


 

 应用选型推荐

004.png

 

 

产品列表
吸尘器
产品型号 产品封装 产品类别
-1 0 共0页 0条记录 跳至: 确定
返回到首页 回到顶部