• pp电子

    产品与方案

    001.png

     

     应用描述

       充电桩用于停车时从交流电网为汽车电池充电。插电式混合动力汽车 (PHEV) 和电池电动汽车 (BEV) 的更高行驶里程是通过提高电池容量和电子元器件的能源效率来实现的。所使用的电池电压等级趋于标准化约为 450V,并有向更高电压发展的趋势,因为这支持更短的充电时间并简化车内布线。分立式高压元件被广泛用于 充电桩、OBC(车载充电器),并由于价格压力,取代了越来越多基于模块的解决方案。快速充电的趋势也影响了充电桩的发展,新趋势是 30kW 甚至高达 40kW 以上的设计。此类发展,加上对高效率和高功率密度且低系统成本的需求,强力推进了三相解决方案的使用。如今通常情况下,车载充电器电力流向是单向的,即从电网到电池,但也有双向使用的情况。

      CRMICRO 针对充电桩、大功率电源等应用开发的的第四代、第五代SJ MOS,采用先进的多层外延技术,优化了元胞结构,具有电流能力强,短路能力好的特点。特别优化的过渡区和终端设计使器件的雪崩特性好,二极管反向恢复特性优,dV/dt能力优。另外CRMICRO推出的新材料SiC二极管器件,具有导通损耗小,开关损耗小,抗雷击浪涌能力强的特性,在应用上更能满足充电桩高效率和高功率密度的性能要求。

     

      产品特色


    较好的trr参数,满足应用电路的需求   产品参数一致性好
    产品规格齐全,满足不同功率端的需求    高可靠性


     

     

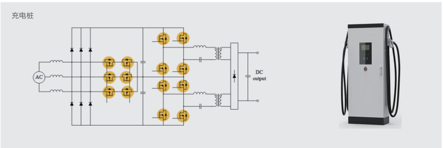
     应用原理图

     

     002.png    

     

     

     

      

     典型应用拓扑图

         

    003.png

     

     应用选型推荐

     004.png

     005.png

    产品列表
    充电桩
    产品型号 产品封装 产品类别
    -1 0 共0页 0条记录 跳至: 确定
    返回到首页 回到顶部