• pp电子

    产品与方案

    01.png

     

     应用描述

       据统计,全球大约50%的电能用于工业变频驱动,主要应用于风机、泵和空气压缩机。通过采用变频调速装置,对电机的速度和转矩进行控制,实现电机运行过程优化,可显著的节能。变频器应用范围广,应用环境差异大,会频繁出现过载、重载等运行状况,客户需要耐功率冲击强、耐短路能力时间长、且可靠性高的IGBT器件。

      CRMICRO 新一代 1200V IGBT产品,在沟槽栅电场截止技术(FS)基础上,针对电机驱动系统应用优化了芯片结构,采用更为先进的减薄工艺,降低了功率损耗,增强了鲁棒性(强短路能力),同时提升了IGBT器件的可靠性和生产稳定性,大幅提升了IGBT器件使用寿命。

      同时针对电机驱动系统的辅助电源应用,CRMICRO推出了耐压高达1500V的MOS器件产品,为客户提供全功率解决方案。

     

      产品特色


    器件具备强的短路耐受能力   超高压MOS 耐冲击力强
    IGBT具备低的导通损耗和开关损耗   器件具有高可靠性,适于工业级应用


     

     

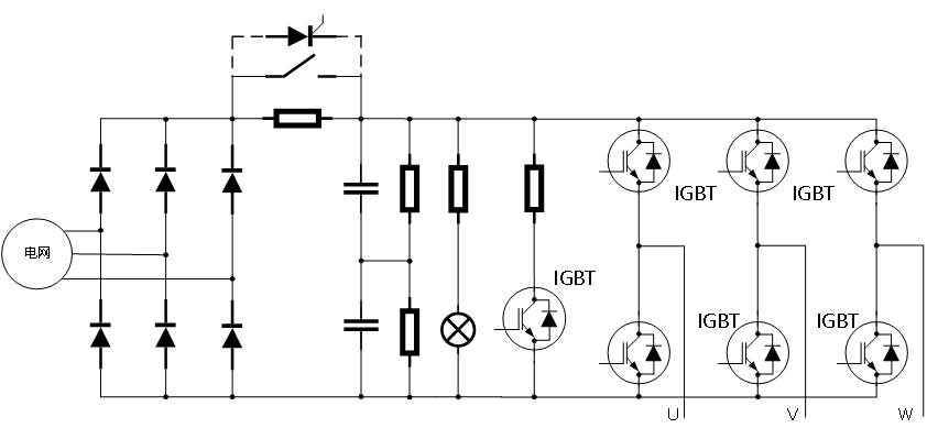
     应用原理图

     

     02.png

     

     

     

      

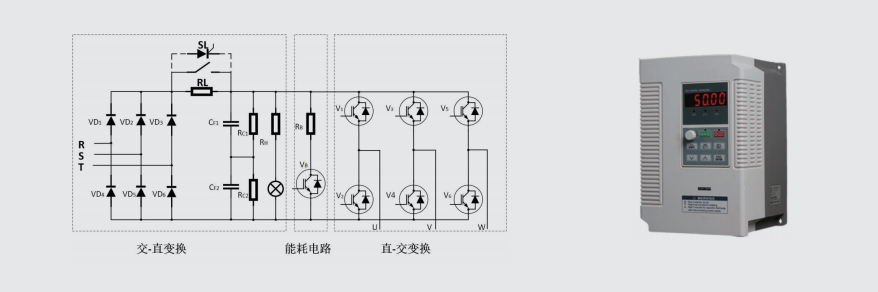
     典型应用拓扑图

     03.png


     

     应用选型推荐

     

    04.png

     

    产品列表
    变频器
    产品型号 产品封装 产品类别
    -1 0 共0页 0条记录 跳至: 确定
    返回到首页 回到顶部